headerbarlue.jpg
headerbar.jpg
HTML File size: 39k Loading now ..cont..

bareF4.JPG
Despite it was an electronic camera but just like strong tradition possesses in any predecessors, Nikon F4 was also being built to take worst punishment one would expect how a professional class SLR should be. Although those days, both the mechanical Nikon F and Nikon F2 have pathed the way to define what is ruggedness and reliability in a top class pro-calibre SLR camera but I think we have a lot to thank for in the Nikon F3 which was the first Nikon F-single digit series model to go electronic.

<<< ---- Image from my copyright-free image collection. eofooTM.gif Malaysian Internet Resources

The bare basic aperture priority AE and manual exposure control was essentially merging the Nikon FE with dependability of the previous Fs - but the underlying fact was the hugely successful first attempt to let users experiencing full advantage of electronic camera offers in professional photography. The precision and reliability element in the F3 has proven to be unquestionable even to the most demanding pros and thus smoothly paths the way for easy acceptance as well as expectation of how a next generation of the Nikon F4 would be.

componentAsml.gif componentBsml.gif
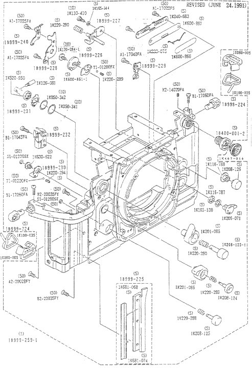
Naturally, in comparison with the largely conservative F3, Nikon F4 was almost like a quantum leap in applied mechanical and electronic engineering (I think most would presume since it is a electronic camera and there are only flexiboards inside, no - you will be amazed as there are 1,750 parts to make up a standard Nikon F4 body and every inch of space is also being fully utilized to house all these sensitive components).

Don't believe ? Click to see two scanned images with just the top right hand panel and another is a front section assembly of the camera (without even shown the lens mount assembly.

Well, be able to screeze in all these essential components (the Multi-Meter Finder itself is consists of another 200 parts and the shutter unit, 200 parts) inside a relatively compact camera body is one thing but to ensure this camera can also deliver equaling a previously set-standard in durability and reliability of how a Pro-level SLR should be judged while at the same time, ensuring all it has to offer in various sophisticated features will function flawlessly is another big task during its designing stage. Just like the F3, the priority is how to protect all the sensitive electrical and electronic components within. So, it started with the Nikon F4 backbone which uses a solid aluminum-alloy die-cast body structure for superb strength, rigidity and resistance to corrosion. The die-cast body consists of a front body, rear body, finder mounting section and hand grip.

diecast.jpg (31k) Loading ...
To ensure stability when changing numerous accessories, including lenses, finders and focusing screens, the Nikon F4's body has to be rugged, yet manufactured to exacting tolerances. Therefore, Nikon selected a special alloy of Copper Silumin Aluminum, which is less susceptible to blowholes during manufacture. This alloy, the same as that used with the Nikon F3 has a high tensile strength of approx. 33.5kg/mmweighsymbol.gif (475.5 lb/inweighsymbol.gif) !

NOTE: Come to think of it - What Nikon has provided in the F4's body structure is hard to rivaled by others in terms of quality aspect - many other rivaling brands took short cut in this area. For an instance, Canon's EOS-1 (for that matter, virtually all Canon introduced that time was using 'industrial strength carbon fibre reinforced" polycarbonated body to the camera but Nikon still persistently thinking metal structure is more vulnerable to shock and resistant.. Nikon was not wrong, Canon 's current flagship EOS-1v has finally reverted back to metal construction - after two generations of the EOS-1 series !

thickness.jpg
The thick-walled body configuration has been designed to endure vibrations. The average thickness of the casting wall is 1.3mm for the front die-cast and 1.2mm. for the rear die-cast. The box-shaped construction with bridges and the hollowed wall design increase strength against shocks. In addition to the main body, the mounting section of standard Multi-Meter Finder and the interchangeable hand grip have also been die-cast for maximum rigidity.

All this assures that the precision parts, microelectronics and optical parts inside the body are dependably protected. As the standard Multi-meter Finder DP-20 is an important system component in the Nikon F4, the microelectronics of the standard Finder's pentaprism are also being protected by a special double-reinforced plastic covers. Externally, the camera also was laminated with a rubber compound body surface which doubles as a shock absorber. In case of shock, the very firm yet resilient material used has a very unique character as it will instantly "transformed". then instantly "regains" its original shape. That means less possibility of external damage and of coursel minimum internal shocks. The same threatment of this special coated material is also used on rear portion of the camera back as well.

In fact, the quality aspect of the camera was undoubtedly high. It follows a good Nikon tradition of the F-series bodies which were hallmarked for its extremely durable and reliable in camera performance / handling. As even during at the stage of assembly - each part module is handled by specialized Nikon factories in Japan. For an instance, assembly of the shutter unit was at Nikon own's Ohi Plant, Tokyo; the pentaprisms for the viewfinder are manufactured at the Nikon Tochigi Plant, north of Tokyo, where Nikkor lenses are also manufactured. The FPC boards are assembled, using a highly advanced laser trimming system and other advanced equipment, at the Nikon Sendai Plant in northern Japan. This production system ensures that each module of the Nikon F4 is made by highly specialized experts.

AssemblyA.jpg AssemblyB.jpg AssemblyC.jpg AssemblyD.jpg
AssemblyE.jpg AssemblyG.jpg
All assembled modules and other major parts are sent to the Nikon Mito Plant near Tokyo, for final assembly. This plant is the Nikon F4's major assembly plant. Both skilled human and computer-aided manufacturing/production methods are used which includes a number of testing devices and computers used at every stage of assembly, and subjected to severe tests of reliability. | See F3's Assembly |

rubberback.jpg sealings.jpg
Further, the F4 is also being designed to protect not just against any possible mechanical damage but also electrical noise. Probably gaining all the input from users with the previous Nikon F3 and taking into consideration of the comprehensive internal electronic components which is even few times more complex than a simpler structured F3, every lever and dial of the F4 has been designed to resist intrusion by moisture or dust - Virtually every dial axis uses an O-ring or rubber bellows to seal the mechanical junctions.

The microelectronics and mechanical movement are thus protected securely. The surfaces of the dials and levers are also roundly contoured for easier handling. All these considerations are to ensure the microelectronics and mechanical movement are thus protected securely (naturally, it is not waterproof but solely confine to possible exposure during shootings). The design was not confined to just there, for an instance, as even the Flash contacts on top of the finder unit incorporate a semiconductor switch to protect the contacts from possible electrical shocks due to the use of large-capacity flash units or frequent use of the flash unit(s).

| Previous | NEXT | 1/2 The sophistication of electronic and electrical components designed for the Nikon F4

| Index Page | Body Construction | Electronic inside | The Shutter Unit | an efficient multi-Motors system |

The Camera Body - Features | Reliability | Focusing | Metering | Exposure Control | Lense Compatibility | Interchangeable Prisms | Data Film Backs | Various Power Sources | Focusing Screens | Flash Photography | Other system accessories | Cases for Nikon F4 Series | Remote Control |

| Specification | Main Reference Map | Nikon F4 Variants
Instruction Manual: PDF (4.5M) - External Link

| BACK | to Main Index Page Nikon F4 Series Models

| Message Board | for Nikon F4 Series SLR model(s)
| Message Board | for your Nikon Optics in a shared environment
| Message Board | Specifically for Dispose or Looking for Nikon/Nikkor Photographic Equipment

W A R N I N G: The New G-SERIES Nikkor lenses have no aperture ring on the lense, they cannot adjust aperture(s) when operating in manual exposure control even with certain earlier AF Nikon SLR camera models. Similarly, not ALL features provide in a modern AF-S series AF-Nikkor lenses can be utilized fully with a Nikon F4. Please refer to your local distributor for compatibility issue(s).

weblibrary.gif   Nikon F | Nikon F2 | Nikon F3 | Nikon F4 | Nikon F5 | Nikon F6 | Nikkormat / Nikomat | Nikon FM | Nikon FE/ FA | Nikon EM/FG/FG20 | Nikon Digital SLRs | Nikon - Other models

Nikon Auto Focus Nikkor lenses:- Main Index Page
Nikon
Manual Focus Nikkor lenses:- Fisheye-Nikkor Lenses - Circular | Full Frame | Ultrawides Lenses - 13mm15mm18mm20mm | Wideangle Lenses - 24mm28mm35mm | Standard Lenses - 45mm 50mm 58mm | Telephoto Lenses - 85mm105mm135mm180mm & 200mm | Super-Telephoto Lenses - 300mm 400mm 500mm 600mm 800mm 1200mm |

Nikkor Link.jpg

Index Page
  Special Application lenses:
Micro-Nikkor Lenses - 50mm~55mm -60mm 85mm -105mm 200mm Micro-Zoom 70-180mm
Perspective Control (PC) - 28mm 35mm PC-Micro 85mm
Dedicated Lenses for Nikon F3AF: AF 80mm f/2.8 | AF 200mm f/3.5 EDIF
Depth of Field Control (DC): 105mm 135mm
Medical Nikkor: 120mm 200mm
Reflex-Nikkor Lenses - 500mm 1000mm 2000mm
Others: Noct Nikkor | OP-Nikkor | UV Nikkor 55mm 105mm | Focusing Units | Bellows-Nikkor 105mm 135mm
Nikon Series E Lenses: 28mm35mm50mm100mm135mm | E-Series Zoom lenses: 36~72mm75~150mm70~210mm


MF Zoom-Nikkor Lenses: 25~50mm | 28~45mm | 28~50mm | 28~85mm | 35~70mm | 36~72mm E | 35~85mm | 35~105mm | 35~135mm | 35~200mm | 43~86mm | 50~135mm | 50~300mm | 70~210mm E | 75~150mm E | 80~200mm | 85~250mm | 100~300mm | 180~600mm | 200~400mm | 200~600mm | 360~1200mm | 1200~1700mm

Tele-Converters: TC-1 | TC-2 | TC-200 | TC-201 | TC-300 | TC-301 | TC-14 | TC-14A | TC-14B | TC-14C | TC-14E | TC-16 | TC-16A | TC-20E

Recommended links to understand more technical details related to the Nikkor F-mount and production Serial Number:
http://rick_oleson.tripod.com/index-153.html by: my friend, Rick Oleson
http://www.zi.ku.dk/personal/lhhansen/photo/fmount.htm by: Hansen, Lars Holst
http://www.mir.com.my/rb/photography/hardwares/nikonfmount/lens2.htm
http://www.photosynthesis.co.nz/nikon/serialno.html


PLEASE NOTE: Complimentary links are appreciative but it is not necessary, I have limited bandwidth here in this server... So, PLEASE don't distribute this URL to any bulk mailing list or unrelated user-groups, just be a little considerate, thank you. (The more you distribute, the slower this server will response to your requests...). I am NOT a Nikon nor Nikkor expert, so don't send me any mails, use the Message Board Instead. While the content prepared herein should be adequate for anyone to understand and evaluate whether you should invest into a used Nikon F4 pro-camera system for your kind of photography. Well, IF you like what you have seen so far, please help to perfect this site by reporting any broken links or any errors made.

NikonF4-3D logo.jpg (18k) Loading .....


About this photographic site.

MIR Logo
HOME - Photography in Malaysia
Search.gif

leofoo.gif

Credit: Chuck Hester, US for his patience, encouragement and help to setup the various content in this site; Robert Johnson for some of his original images on the F2H-MD appeared in this site; my ex-staff, KiaSu for his superb 3-D logo appeared in this Nikon F2 site; Marc Vorgers from Holland who generously provide me with some of his images of F2AS; MCLau®, who has so much time with me to re-edit the content in this site and not to mention buying a Nikon Coolpix 990 just for this site; Paul Armstrong (pkared@ameritech.net) for his explantion of the FF2 Slidemagic and Nikon F2 Pin Camera Keat Photo, Kuala Lumpur for providing their Nikon F2A to take some images for this site; Mr Edward Ngoh the great camera collector who provides us his collection of F2AS with MD-2; hawkeye.photographic.com for their images on the Speed Magny film backs; Sean Cranor for his image on Nikon F2 25th Anniversary Model; Ted Wengelaar®, Holland for his continuous flow of input on some of the early Nikon bodies; Genesis-Camera for granting permission to use an image of the SS-F2 camera; Mr Sover Wong, Australia for those great images of his rare F2 Gold;CYLeow ®, photo editor of the Star newspaper, Malaysia for some of his images used in this site. Ms Rissa Chan, Sales manager from Shriro Malaysia who has helped to provide some of the very useful input. HiuraShinsaku®, Nikomat ML, Japan for some of his images on various F2 models; my staff, Wati, Maisa, Mai and my nephew, EEWyn®, who volunteered and helping me did so many of the film scanning works; Hong-sien Kwee of Singapore for all the Nikon F2 Pin camera images appeared in this site; Luigi Crescenzi for many of his images on the Nikon F2 Titan; John for two of his images of the Nikon F2/T used in this site; Contributing photographers or resellers: Jen Siow, Foo KokKin, Arthur Teng, Mark Fallander, John Ishii, Ed Hassel, YoonKi Kim, Jean-Louis, M.Dugentas (Dell Corner.com.), Mr "Arsenall", Yang Zi Xiong and a few images mailed in from surfers with no appropriate reference to their origin. Note:certain content and images appeared in this site were either scanned from official marketing leaflets, brochures published by Nikon and/or contribution from surfers who claimed originality of their own work to publish in this site based on educational merits. The creator of this site will not be responsible for any discrepancies that may arise from such possible dispute except rectifying them after verification."Nikon", "Nikkormat", "Nippon Kokagu KK" & "Nikkor" are registered tradename of Nikon Corporation Inc., Japan. Dedicated to KU Yeo, just to express our mutual regrets over the outcome of a recent corporate event. Made with an Apple IMac.

headerbarlue.jpg
headerbar.jpg