| NOTE: In an attempt to revamp & rearrange content in this website, there is now a newly developed section featuring various MF Nikkor lenses, please bookmark the new site for future updates. As for SLR bodies, please refer to: - Nikkormat, Nikon EM/FG/FG20, FM series, FE Series, Nikon FA, Nikon F, Nikon F2, Nikon F3 & Nikon F4 |




80mmf2MF.jpg (14k)

The Nikkors :
Some versions of the
80-85mm focal length lenses

Photographic applications and uses include head-and-shoulders portraits in the studio or on location, indoor and outdoor sports, travel, backpacking, photojournalism, distant landscapes, available light shooting, candids of people, and electronic flash photography.

* Info compiled in this site
is a personal contributing article to
Michael Liu's Nikon Resources site.
-leofoo-



85mm f/1.8 Nikkor-H Auto

One of the earlier version, (See the one of the earliest 80mm chrome version here) the f/1.8 aperture of this lens is the largest among Nikkor telephoto lenses during that time. It facilitates easy focusing under poor light conditions and is especially suited for indoor and night photography. The "moderately" long 85mm focal length provides proper image magnification and slightly more natural perspective, making the lens ideal for portraiture, theatrical photography and photojournalism.
85mm f1.8.jpg
High resolution and fairly good contrast maintained even at full lens opening. Its symmetrical-type design ensures satisfactory results in close-up photography as well. Focal length: 85mm; Maximum aperture: 1: 1.8; Lens construction: 6 elements in 4 groups; Picture angle: 28°30'; Distance scale: Graduated both in meters and feet up to 1 m and 3.5ft; Aperture scale: f/1.8ñ f/22; Aperture diaphragm: Fully automatic; Meter coupling prong: Integrated (fully open exposure metering); Attachment size: 52mm (P=0.75); Filter: 52mm screw-in; Dimensions: 72mm dia. X 70mm length (2-27/32 in. X 2-3/4 in.); Weight: 420g; Accessories: 52mm snap-on front cap, rear cap type F, 52mm screw-in lens hood, leather,plastic, flexible pouch cases.
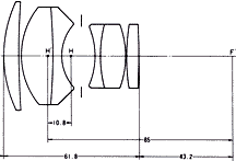
Optical group.gif
optic construction.gif

F2A with 85mmf2.jpg
What happened next ? A revised version (AI) saw this marvel Nikkor telephoto lens came with a more compact size and lighter in weight - only 310 grams as compared with the earlier version's 420g. It also focuses closer to 3 feet (0.85m), takes popular 52mm filters - the standard for most of the Nikkor lenses from 20 to 200mm focal length. It is supplied with a snap-on lens hood which can be stored in the reverse position.

Specifications

Focal length: 85mm f2; Lens construction: 5 elements in 5 groups; Picture angle: 28°30'; Diaphragm: 5 elements in 5 groups; Aperture scale: f/2- f/22 on both standard and aperture-direct readout scale (ADR); ; Exposure measurement: Automatic, Via full aperture method; meter coupling ridge provided for AI cameras and meter coupling shoe for non-AI cameras; Distance scale: Graduated in meters and feet from 0.85m (3 ft -infinity); Weight: 310g; Dimensions: 63.5mm dia. x 61 mm long (overall); Attachment size: 52.5mm extension from flange; Front lens cap: 52mm; Lens hood: Snap-on (HS-10); Lens case: CL-31S, CP-1.
Optical Contruction.gif


| NextToo many images in this page might slow down your download time and thus I have to break into two parts.

| Back | to Main Index Page of Lenses

Search.gif

* Message Board for your favourite lenses

MIR Logo 

Home - Photography in Malaysia

Copyright © 2000 leofoo® MIR Web Development Team

Credit: A combined contributing effort to Michael Liu's Classic Nikkor lenses' site. A site dedicated to a long lost friend on the Net - Made with a PowerMac, broadcast with a Redhat Linux powered server. Cheers!